Gratis verzending boven de €75,- in Nederland
Betaal eenvoudig via Riverty Afterpay
30 dagen geld terug garantie
ETIM Code EC003025
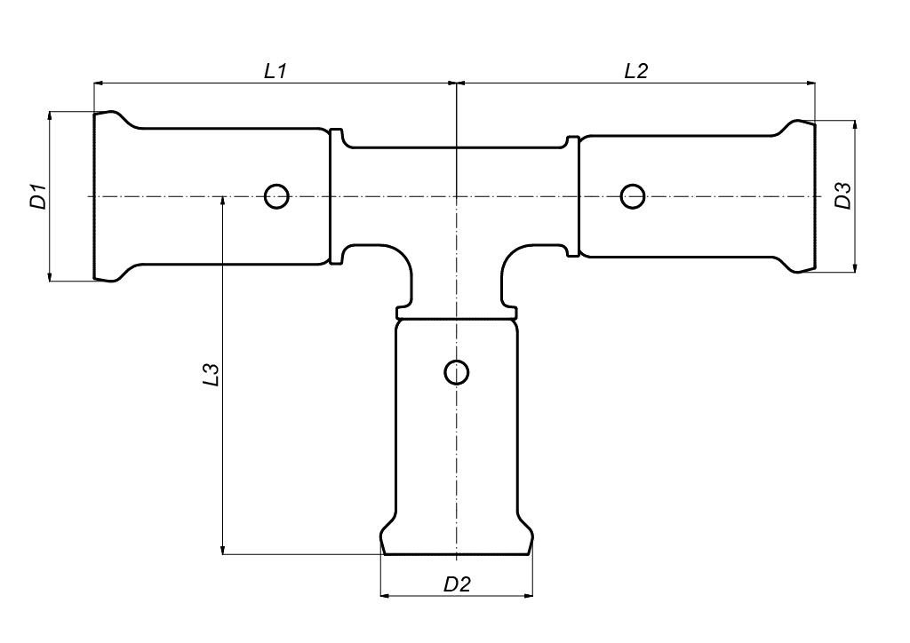
ETIM Class Fitting met 3 aansluitingen
Model T-stuk
Mediumtemperatuur (continu) -20 - 60 Graden Celsius
Gewicht 0.096 kg
Variant 11PKG